- Год:
- 1970
- BRAKE
- BUMPER
- CARBURETOR
- CRANK - PISTON
- CRANKCASE - CYLINDER
- ELCTRICAL
- ELECTRIC MOTOR
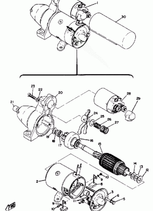
- ELELCTRIC STARTER UNIT
- ENGINE BRACKET
- ENGINE COWL
- EXHAUST
- FAN CASE - AIR SHROUD
- FLYWHEEL MAGNETO
- FRAME
- FRONT AXLE
- FUEL TANK
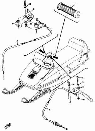
- GRIP - WIRING
- HEAD LAMP
- INTAKE
- OIL PUMP
- OIL TANK
- PIPING
- PRIMARY SHEAVE
- PUMP GEAR UNIT
- REAR AXLE
- SEAT - LUGGAGE BOX
- SECONDARY SHEAVE
- SHROUD
- SKI
- SPEEDOMETER - TACHOMETER
- SPEEDOMETER GEAR UNIT
- STARTER
- STARTING PUMP
- STEERING
- STEERING GATE
- TACHOMETER GEAR UNIT
- TAIL LAMP
- TRACK - SUSPENSION WHEEL
- TRACK DRIVE
