- Год:
- 1979
- AIR SHROUD - FAN EC540C - D
- BRAKE
- BUMPER EC540C
- BUMPER EC540D
- C - D - I - MAGNETO EC540C
- C - D - I - MAGNETO EC540D
- CARBURETOR
- CARBURETOR EC540C
- CONTROL - CABLE EC540D
- CONTROL EC540C
- CRANKCASE EC540C - D
- CRANKSHAFT - PISTON EC540C
- CRANKSHAFT - PISTON EC540D
- CYLINDER
- DRIVE GUARD - TOOL EC540C
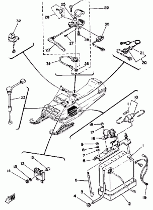
- ELECTRICAL 1 EC540C
- ELECTRICAL 1 EC540D
- ELECTRICAL 2 EC540C
- ELECTRICAL 2 EC540D
- ENGINE BRACKET EC540C
- ENGINE BRACKET EC540D
- EXHAUST EC540C - D
- FRAME EC540C
- FRAME EC540D
- FUEL TANK EC540C - D
- GUARD - LUGGAGE BOX EC540D
- HEADLIGHT EC540C - D
- INSTRUMENT PANEL EC540C - D
- INTAKE EC540C
- INTAKE EC540D
- OIL PUMP EC540C - D
- OIL TANK EC540C - D
- PRIMARY SHEAVE EC540C
- PRIMARY SHEAVE EC540D
- PUMP DRIVE GEAR EC540C - D
- SEAT EC540C
- SEAT EC540D
- SECONDARY SHEAVE EC540C - D
- SHROUD - WINDSHIELD EC540D
- SHROUD EC540C
- SKI EC540C
- SKI EC540D
- SPEEDOMETER EC540C
- SPEEDOMETER EC540D
- SPEEDOMETER GEAR UNIT EC540C - D
- STARTER EC540C - D
- STARTING MOTOR EC540C
- STARTING MOTOR EC540D
- STEERING EC540C
- STEERING EC540D
- STEERING GATE EC540C - D
- TACHOMETER EC540C - D
- TAILLIGHT EC540C - D
- TRACK DRIVE 1 EC540C
- TRACK DRIVE 1 EC540D
- TRACK DRIVE 2 EC540C - D
- TRACK SUSPENSION 1 EC540C
- TRACK SUSPENSION 1 EC540D
- TRACK SUSPENSION 2 EC540C
- TRACK SUSPENSION 2 EC540D
