| № | Наименование | Примечание | Кол-во |
|---|---|---|---|
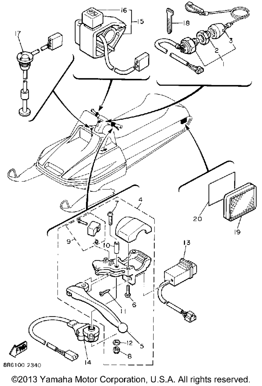
| 1 | STOP SWITCH ASY | 1 | |
| 2 | NUT | 1 | |
| 3 | CAPSWITCH | 1 | |
| 4 | LEVER HOLDER ASY L (LEFT) | 1 | |
| 5 | LEVER L | 1 | |
| 6 | . .SCREW PAN HEAD | 2 | |
| 7 | SCREW PAN HEAD | 1 | |
| 8 | NUT FLANGE (4GB) | 1 | |
| 9 | LEVER LOCK ASSY | 1 | |
| 10 | COLLARLEVER 1 | 1 | |
| 11 | SCREWTAPPING | 2 | |
| 12 | WASHER (5 per pack) | 1 | |
| 13 | BEAM SWITCH ASY | 1 | |
| 14 | STOP SWITCH ASSY | 1 | |
| 15 | SWITCHHANDLE 1 | 1 | |
| 16 | CAP 1 | 1 | |
| 17 | OIL LEVEL GAUGE ASSY | 1 | |
| 18 | BANDSWITCH CORD | 1 | |
| 19 | REAR REFLECTOR ASY | 2 | |
| 20 | TAPEREFLECTOR | 2 |
