| № | Наименование | Примечание | Кол-во |
|---|---|---|---|
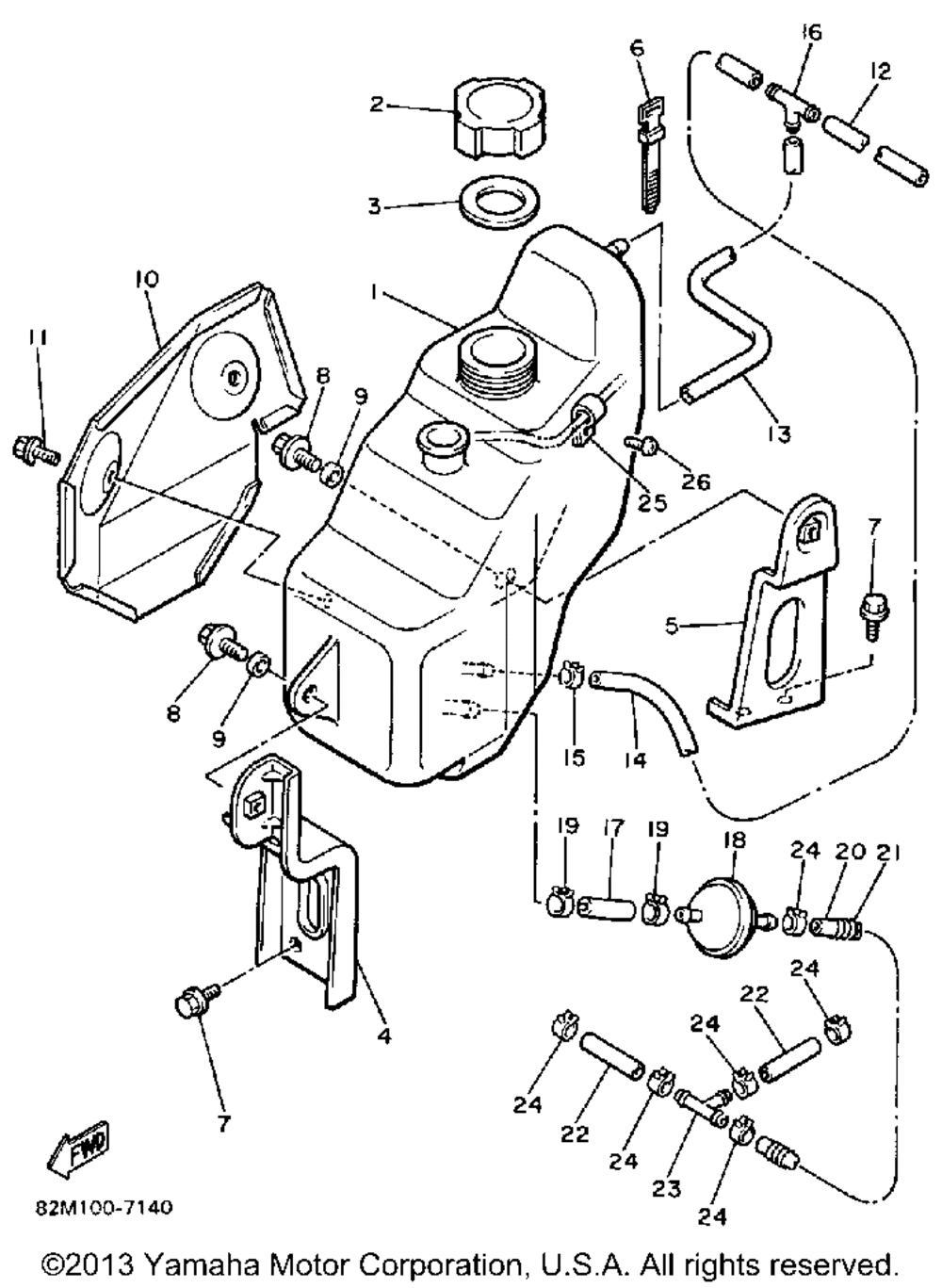
| 1 | TANKOIL | 1 | |
| 2 | BODYCAP | 1 | |
| 3 | GASKET | 1 | |
| 4 | BRACKETOIL TANK | 1 | |
| 5 | BRKTOIL TANK 2 | 1 | |
| 6 | BANDSWITCH CORD | 1 | |
| 7 | .BOLT FLANGE | 4 | |
| 8 | BOLTWITH WASHER | 2 | |
| 9 | COLLAR | 2 | |
| 10 | PLATE | 1 | |
| 11 | BOLT FLANGE | 2 | |
| 12 | TUBE FLEXIBLE 8AT (82M) | 1 | |
| 13 | TUBEFLEX VINYL | 1 | |
| 14 | HOSE | 1 | |
| 15 | CLIPSCISSOR FOR CAL | 1 | |
| 16 | PIPEJOINT 1 | 1 | |
| 17 | HOSE | 1 | |
| 18 | STRAINER HSNG ASY | 1 | |
| 19 | CLIPSCISSOR | 2 | |
| 20 | TUBEFLEX VINYL | 1 | |
| 21 | SPRINGCOMPRESSION | 1 | |
| 22 | HOSE | 2 | |
| 25 | COVER | 1 |
