| № | Наименование | Примечание | Кол-во |
|---|---|---|---|
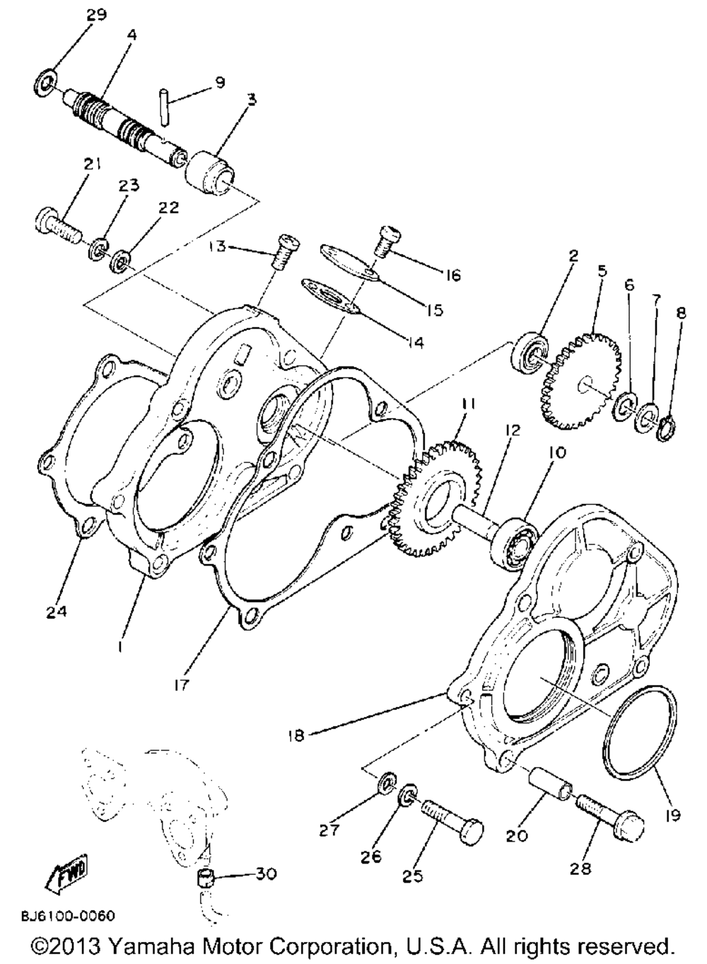
| 1 | COVEROIL PUMP | 1 | |
| 2 | OIL SEALS-TYPE | 1 | |
| 3 | METALWRM SHAF OTR | 1 | |
| 4 | SHAFTWORM | 1 | |
| 5 | GEARDRIVE (32T) | 1 | |
| 6 | WASHERWAVE | 1 | |
| 7 | PLATECAM THRUST | 1 | |
| 8 | CIRCLIP | 1 | |
| 9 | PINDOWEL (4ESA) (5 per pack) | 1 | |
| 10 | BEARING | 1 | |
| 11 | GEARIDLE | 1 | |
| 12 | SHAFTIDLE GEAR | 1 | |
| 13 | SCREWPAN HEAD | 1 | |
| 14 | GASKET | 1 | |
| 15 | CAPHOUSING STD | 1 | |
| 16 | SCREW PAN HEAD | 2 | |
| 17 | GASKET 2 | 1 | |
| 18 | COVEROIL PUMP R | 1 | |
| 19 | OIL SEALSR-TYPE | 1 | |
| 20 | PINDOWEL | 2 | |
| 21 | SCREWPAN HEAD (USA) (5 per pack) | 2 | |
| 22 | WASHER (5 per pack) | 2 | |
| 23 | WASHER (5 per pack) | 2 | |
| 24 | GASKETO/PPCUR1 | 1 | |
| 25 | BOLTHEXAGON | 2 | |
| 28 | BOLTFLANGE | 2 | |
| 29 | WASHERPLATE | 1 | |
| 30 | CLIP | 2 |
