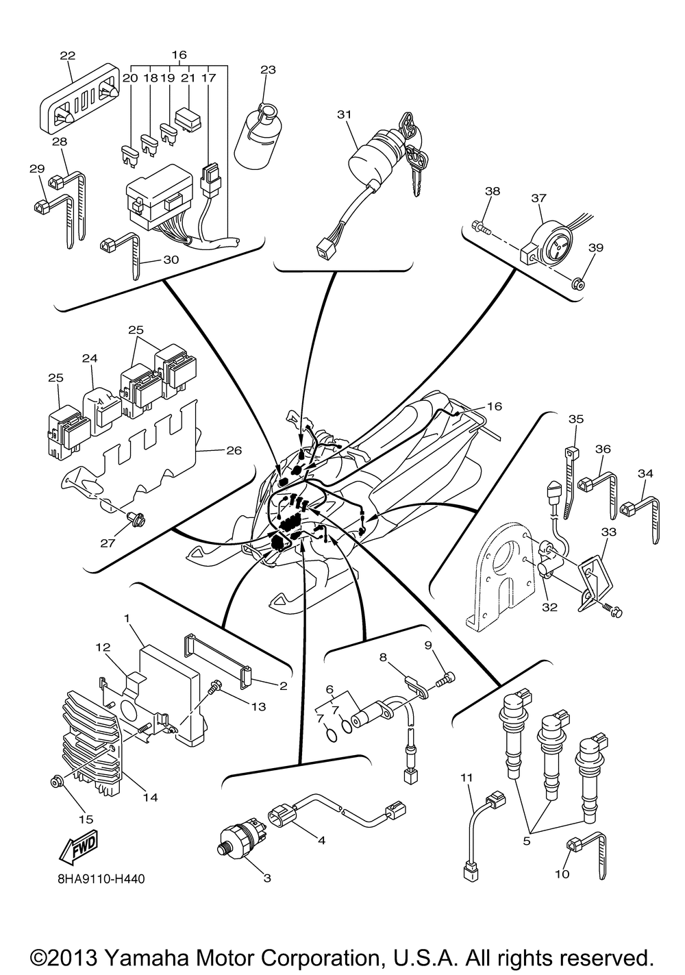
| № | Наименование | Примечание | Кол-во |
|---|---|---|---|
| 1 | ENGINE CONTROL UNIT | 1 | |
| 2 | BANDBATTERY | 1 | |
| 3 | OIL PRESSURE SWITCH | 1 | |
| 4 | WIRE SUB-LEAD | 1 | |
| 5 | IGNITION COIL ASSY | 3 | |
| 6 | PICK-UP ASSY | 1 | |
| 7 | O-RING 1 | 2 | |
| 8 | PLATE CLUTCH COVER | 1 | |
| 9 | BOLT (4MY) | 1 | |
| 10 | Хомут | 1 | |
| 11 | LEAD WIRE ASSY | 1 | |
| 12 | BRACKET UNIT | 1 | |
| 13 | BOLT FLANGE | 2 | |
| 14 | RECTIFIER & REGULATO | 1 | |
| 15 | NUT-U | 2 | |
| 16 | WIRE HARNESS ASSY | 1 | |
| 17 | SLOW BLOW FUSE (40A) | 1 | |
| 18 | FUSE (10A) (10A-BL) | 2 | |
| 19 | FUSE (20A-BL) (20A-BL) | 3 | |
| 20 | FUSE (3A-BL) | 3 | |
| 21 | DIODE ASSY | 1 | |
| 22 | BRACKET | 1 | |
| 23 | COVER | 2 | |
| 24 | RELAY ASSY (G8HN-1C4T-DJ-Y52) | 1 | |
| 25 | RELAY ASSY (8FP-01) | 3 | |
| 26 | HOLDER RELAY | 1 | |
| 27 | RIVET | 2 | |
| 28 | Хомут | 13 | |
| 30 | Хомут | 6 | |
| 31 | MAIN SWITCH ASSY | 1 | |
| 32 | SENSOR SPEED | 1 | |
| 33 | COVER 2 | 1 | |
| 35 | CLAMP (5 per pack) | 1 | |
| 37 | BUZZER | 1 | |
| 38 | SCREW WITH WASHER | 1 | |
| 39 | NUTFLANGE (SILVER) | 1 |
