Оригинальные каталоги
Масла и жидкости
Масла моторные
Масла трансмиссионные
Жидкости гидравлические
Жидкости охлаждающие
Жидкости тормозные
Масла гидравлические
Масла для вилок и амортизаторов
Масла компрессорные
Жидкости для стекол
Масла для цепей бензопил
Масла индустриальные
Масла промывочные
Раствор мочевины AdBlue
Автоэлектроника
Видеорегистраторы
Пылесосы автомобильные
FM трансмиттеры
Зарядные устройства
Разветвители, удлинители прикуривателя
Кабели
Вентиляторы автомобильные
Штекер прикуривателя
Датчик парктроника
Камеры заднего вида
Мониторы парковочные
Парктроники
Термометры
Накидки на сиденье с подогревом
Автохолодильники
Антирадары
Диагностический сканер
Аксессуары
Набор автомобилиста
Ароматизаторы
Тросы буксировочные
Канистры
Ремни крепления груза
Стяжки-резинки крепления
Сетки для крепления груза
Скотч
Влажные салфетки
Держатели телефонов, планшетов
Карты памяти
Наушники
Аккумулятор холода
Термосумки и контейнеры
Фонарики
Батарейки
Оплетки на руль
Огнетушители
Салфетки, полотенца, варежки
Инструмент
Домкраты
Компрессоры
Манометры
Насосы
Светильники переносные
Шарнирно-губцевый инструмент
Ударный инструмент
Метчики. Плашки
Заклёпочники
Заклёпки
Измерительный инструмент
Свёрла
Отвёртки
Изолента
Надфили. Напильники
Ножи, ножовки
Щётки
Абразивная бумага
Специнструмент
Ключи
Хомуты
Дрель-шуруповерт
Автохимия
Присадки
Промывки
Очистители
Смазки спрей
Смазки пластичные
Герметики
Средство для рук
Клей
Лакокрасочные материалы
Автошампуни
Полироли
Антифриз для тормозной системы
Масло для пропитки фильтров
Антикоррозионные составы
Прочее
Электрооборудование
Зарядные устройства
Инверторы
Конвертеры
Звуковые сигналы
Провода прикуривания
Предохранители
Противотуманные фары
Дневные ходовые огни
Электрика фаркопа
Шины и диски
Автошины
Грузовые шины
Мотошины
Камеры
Мотокамеры
Лента обода шины
Колпаки
Диски
Одежда и экипировка
Жилеты
Запчасти
Аккумуляторы
Лампы
Щетки стеклоочистителя
Гофры глушителя
Велотовары
Велосипеды
Самокаты
Велокамеры
Искать по VIN или номеру детали
Поиск по штрих-коду
Искать по VIN-номеру
Войти
Авторизация
Логин
Пароль
Напомнить пароль
Запомнить
Войти
Зарегистрироваться
Авторизоваться другим способом
Востановить пароль
Введите ваш email:
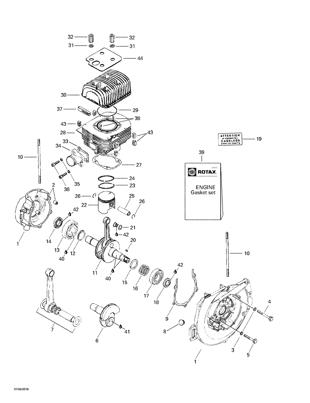
01- Crankcase And Cylinder
Корзина пуста
SKI-DOO
Tundra
Tundra
01- Crankcase And Cylinder
№
Наименование
Примечание
Кол-во
SEMI-TRAPEZ RING 72.25 MM 1ST
0
SHIM 0.1 (10.000 per pack)
0
SHIM 0.2 (10.000 per pack)
0
SHIM 0.5
0
SEMI-TRAPEZ RING 72.5 MM 2ND
0
RECTANGULAR RING 72.25 MM 1ST
0
RECTANGULAR RING 72.5 MM 2ND
0
PISTON 72.41 2ND OVERSIZE
0
PISTON 72.16 1ST OVERSIZE
0
1
CRANKCASE ASS Y
1
2
DOWEL (5.000 per pack)
2
3
WASHER-LOCK DIN.128 (10.000 per pack)
5
4
HEX. SCREW M8 X 75 (10.000 per pack)
2
5
HEX. SCREW M8 X 55 (10.000 per pack)
3
6
PTO CRANKSHAFT
1
8
CABLE GROMMET
1
9
JOINT BASE MOT.*GASKET-CRANKCA (5.000 per pack)
1
10
STUD M8 X 175
4
11
REBUILT-CRANK 93-95
1
12
SPACER RING
1
13
BALL BEARING
1
14
OIL SEAL
1
16
SHIM 0.3 (10.000 per pack)
0
17
BALL BEARING
1
18
OIL SEAL
1
19
DECALQUE *LABEL-CAGELESS
1
20
Woodruff Key
1
21
NEEDLE BEARING
1
22
PISTON 71.91 STD
1
23
RECTANGULAR RING 72 MM STD
1
24
SEMI-TRAPEZ RING 72.0 MM STD
1
25
GUDGEON PIN
1
26
PISTON CIRCLIP (10.000 per pack)
2
27
JOINT 04 *GASKET-04 (5.000 per pack)
1
28
CYLINDER WITH SLEEVE
1
29
O-RING Touring SLE.
1
30
CYLINDER HEAD
1
31
Flat Washer 8.4 mm
4
32
DISTANCE NUT M8 X 27.5 (10.000 per pack)
4
33
INTAKE GASKET (5.000 per pack)
1
34
INTAKE SOCKET ASStahos_Y
1
36
SOCKET HEAD SCREW M8 X 30 (10.000 per pack)
2
37
RUBBER FIN
1
38
Drive Pin 5 X 10
2
39
ENS.JOINT ETANC*KIT-GASKET
1
41
LOCTITE 648 10 ML
0
42
DOW CORNING 111*DOW CORNING 111
0
43
NOISE DAMPER
6
44
SILENT BLOCK
1