| № | Наименование | Примечание | Кол-во |
|---|---|---|---|
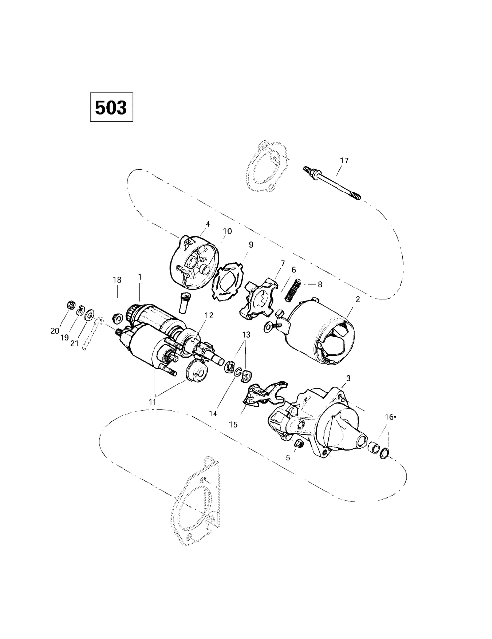
| 1 | ARMATURE ASSY. | 1 | |
| 1 | ELECTRIC STARTER ASStahos_Y | 1 | |
| 2 | HOUSING STARTER | 1 | |
| 3 | BOITIER *HOUSING | 1 | |
| 5 | ECROU *NUT | 2 | |
| 6 | BROSSE*STARTER BRUSH (4.000 per pack) | 4 | |
| 7 | BRUSH HOLDER | 1 | |
| 8 | BRUSH SPRING | 4 | |
| 9 | INSULATOR | 1 | |
| 10 | DOUILLE BRASS *BUSHING-BRASS | 1 | |
| 11 | SWITCH ASSY. | 1 | |
| 12 | STARTER CLUTCH | 1 | |
| 13 | ECROU *NUT | 1 | |
| 14 | CIRCLIP | 1 | |
| 15 | LEVER | 1 | |
| 16 | BRASS BUSHING | 1 | |
| 17 | BOLT | 2 | |
| 18 | ECROU *NUT | 1 | |
| 19 | WASHER-LOCK DIN.128 (10.000 per pack) | 1 | |
| 20 | HEX. NUT M8 Formula Deluxe 380. (10.000 per pack) | 1 | |
| 21 | FLAT WASHER 8 MM (10.000 per pack) | 1 |
