| № | Наименование | Примечание | Кол-во |
|---|---|---|---|
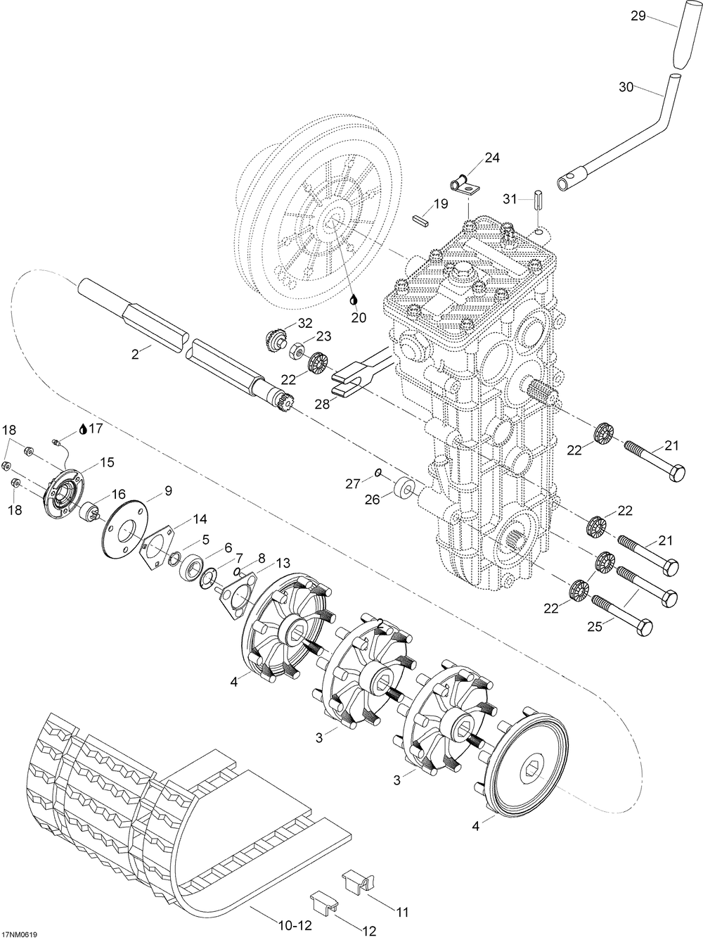
| 2 | DRIVE AXLE | 1 | |
| 3 | SPROCKET | 2 | |
| 4 | HALF SPROCKET | 2 | |
| 5 | CIRCLIP (5.000 per pack) | 1 | |
| 6 | BALL BEARING | 1 | |
| 7 | BEARING PROTECTOR | 1 | |
| 8 | O-RING (10.000 per pack) | 3 | |
| 9 | RONDELLE *WASHER | 1 | |
| 10 | CHENILLE *TRACK-ASSY 20X156X1.25 | 1 | |
| 11 | AGRAFE DE GUIDE*CLEAT-GUIDE (5.000 per pack) | 0 | |
| 12 | AGRAFE *CLEAT (5.000 per pack) | 0 | |
| 13 | BEARING HOUSING | 1 | |
| 14 | FLANGE | 1 | |
| 15 | FLANGE SPEEDO | 1 | |
| 16 | MAGNETIC ADAPTOR | 1 | |
| 17 | SUSPENSION GREASE 10 X 400 G | 0 | |
| 18 | HEX. FLANGED ELASTIC NUT M8 (10.000 per pack) | 3 | |
| 19 | KEY (1=25PCS) (25.000 per pack) | 1 | |
| 20 | LOCTITE 767 ANTISEIZE LUBRICANT 8 OZ | 0 | |
| 21 | SCREW-HEX. M8 X 100 (10.000 per pack) | 2 | |
| 22 | WASHER-LOCK (5.000 per pack) | 6 | |
| 23 | Hex. Elastic Stop Nut M8 | 2 | |
| 24 | CLIP *CABLE SUPPORT | 1 | |
| 25 | VIS *SCREW-HEX. | 2 | |
| 26 | SPACER | 2 | |
| 27 | O-RING (25.000 per pack) | 4 | |
| 28 | CONNECTING BAR | 1 | |
| 29 | BALL GRIP | 1 | |
| 30 | SHIFT HANDLE | 1 | |
| 31 | SPRING PIN 5 X 24 DIN 1481(1=10PCS) SUV 600 (10.000 per pack) | 1 | |
| 32 | ROUE DENTEE *OFF-CENTER GEAR | 1 |
