Оригинальные каталоги
Масла и жидкости
Масла моторные
Масла трансмиссионные
Жидкости гидравлические
Жидкости охлаждающие
Жидкости тормозные
Масла гидравлические
Масла для вилок и амортизаторов
Масла компрессорные
Жидкости для стекол
Масла для цепей бензопил
Масла индустриальные
Масла промывочные
Раствор мочевины AdBlue
Автоэлектроника
Видеорегистраторы
Пылесосы автомобильные
FM трансмиттеры
Зарядные устройства
Разветвители, удлинители прикуривателя
Кабели
Вентиляторы автомобильные
Штекер прикуривателя
Датчик парктроника
Камеры заднего вида
Мониторы парковочные
Парктроники
Термометры
Накидки на сиденье с подогревом
Автохолодильники
Антирадары
Диагностический сканер
Аксессуары
Набор автомобилиста
Ароматизаторы
Тросы буксировочные
Канистры
Ремни крепления груза
Стяжки-резинки крепления
Сетки для крепления груза
Скотч
Влажные салфетки
Держатели телефонов, планшетов
Карты памяти
Наушники
Аккумулятор холода
Термосумки и контейнеры
Фонарики
Батарейки
Оплетки на руль
Огнетушители
Салфетки, полотенца, варежки
Инструмент
Домкраты
Компрессоры
Манометры
Насосы
Светильники переносные
Шарнирно-губцевый инструмент
Ударный инструмент
Метчики. Плашки
Заклёпочники
Заклёпки
Измерительный инструмент
Свёрла
Отвёртки
Изолента
Надфили. Напильники
Ножи, ножовки
Щётки
Абразивная бумага
Специнструмент
Ключи
Хомуты
Дрель-шуруповерт
Автохимия
Присадки
Промывки
Очистители
Смазки спрей
Смазки пластичные
Герметики
Средство для рук
Клей
Лакокрасочные материалы
Автошампуни
Полироли
Антифриз для тормозной системы
Масло для пропитки фильтров
Антикоррозионные составы
Прочее
Электрооборудование
Зарядные устройства
Инверторы
Конвертеры
Звуковые сигналы
Провода прикуривания
Предохранители
Противотуманные фары
Дневные ходовые огни
Электрика фаркопа
Шины и диски
Автошины
Грузовые шины
Мотошины
Камеры
Мотокамеры
Лента обода шины
Колпаки
Диски
Одежда и экипировка
Жилеты
Запчасти
Аккумуляторы
Лампы
Щетки стеклоочистителя
Гофры глушителя
Велотовары
Велосипеды
Самокаты
Велокамеры
Искать по VIN или номеру детали
Поиск по штрих-коду
Искать по VIN-номеру
Войти
Авторизация
Логин
Пароль
Напомнить пароль
Запомнить
Войти
Зарегистрироваться
Авторизоваться другим способом
Востановить пароль
Введите ваш email:
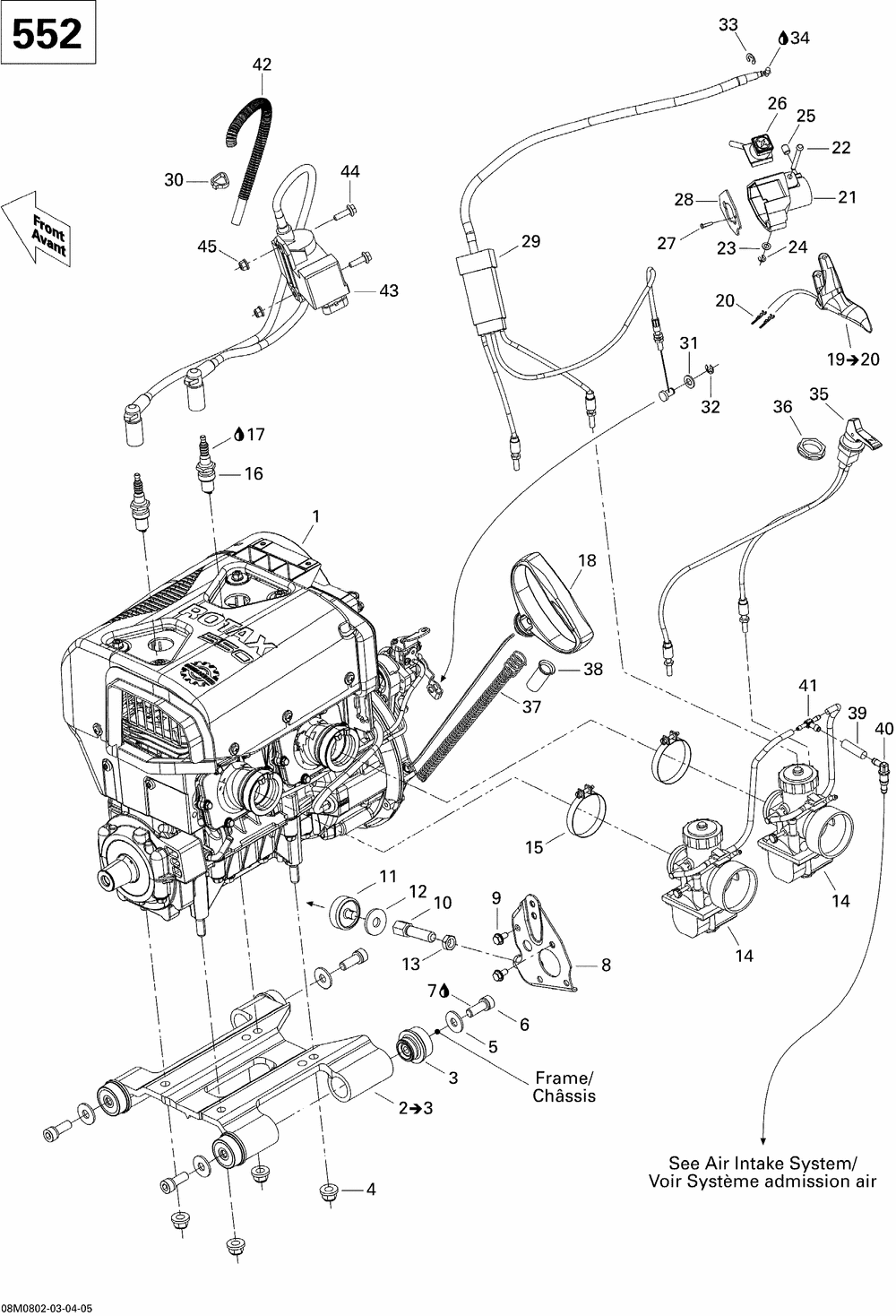
01- Engine And Engine Support
Корзина пуста
SKI-DOO
MX Z 550F
MX Z 550F
01- Engine And Engine Support
№
Наименование
Примечание
Кол-во
2
ENGINE SUPPORT Includes 2 to 3
1
3
RUBBER MOUNT
4
4
HEX. FLANGED ELASTIC NUT M10 (10.000 per pack)
4
5
RONDELLE *WASHER (10.000 per pack)
4
6
TORX LOW HEAD SOCKET SCREW M10 X 25 (2.000 per pack)
4
7
LOCTITE 222 10 CC
0
8
SUPPORT PLATE
1
9
Hex. Flanged Screw M6 X 12, Scotch Grip
2
10
STOPPER SCREW
1
11
STOPPER
1
12
RONDELLE *WASHER (10.000 per pack)
1
13
RH HEX. JAM NUT M12 (5.000 per pack)
1
14
CARBURETOR VM34-617 Includes 1a to 34
2
15
GEMI CLAMP
2
16
SPARK PLUG NGK BR9ES (10.000 per pack)
2
17
DIELECTRIC GREASE 150 G
0
18
STARTER GRIP
1
19
MANETTE ASS. *HANDLE-ASSY
1
20
MALE TERMINAL (10.000 per pack)
3
21
THROTTLE HOUSING
1
22
LEVER PIN (5.000 per pack)
1
23
FLAT WASHER M5 STAINLESS (10.000 per pack)
1
24
CIRCLIP (5.000 per pack)
1
25
SOCKET SET SCREW M8 X 10 (5.000 per pack)
1
26
KILL SWITCH
1
27
TORX SCREW M2.9 X 12 (5.000 per pack)
1
28
PLAQUE *PLATE
1
29
THROTTLE CABLE
1
30
Tie-Rap 180 mm
1
31
FLAT WASHER 8 MM NYLON (5.000 per pack)
1
32
CIRCLIP (10.000 per pack)
1
33
CIRCLIP (10.000 per pack)
1
35
CHOKE CABLE
1
36
PLASTIC NUT
1
37
ROPE GUIDE
1
38
TUBE *TUBE
1
39
Hose, Polyurethane
1
40
ELBOW MALE CONNECTOR (5.000 per pack)
1
41
T-FITTING (5.000 per pack)
1
42
Tubing 9 mm (10.000 per pack)
1
43
CALIBRATED MODULE
1
44
Hex. Flanged Screw M6 X 20
2
45
Hex. Flanged Elastic Nut M6
2