| № | Наименование | Примечание | Кол-во |
|---|---|---|---|
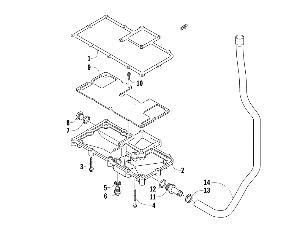
| 1 | GASKETOIL PAN | 1 | |
| 2 | PANOIL | 1 | |
| 3 | BOLTOIL PAN | 12 | |
| 4 | BOLTOIL PAN | 2 | |
| 5 | GASKETOIL DRAIN PLUG- M12.1X16.2X3.7 | 1 | |
| 6 | PLUGOIL DRAIN (12X16) | 1 | |
| 7 | GASKET OIL LAMP SWITCH | 1 | |
| 8 | PLUGOIL GALLERY(M18) | 1 | |
| 9 | PLATEOIL PAN | 1 | |
| 10 | BOLTOIL SEP PLATE (6X12) | 7 | |
| 11 | UNIONWATER BYPASS HOSE | 1 | |
| 12 | GASKET M16X22X2 (2 per pack) | 1 | |
| 13 | CLAMPBREATHER HOSE | 1 | |
| 14 | HOSEBREATHER TANK OIL RETURN | 1 |
