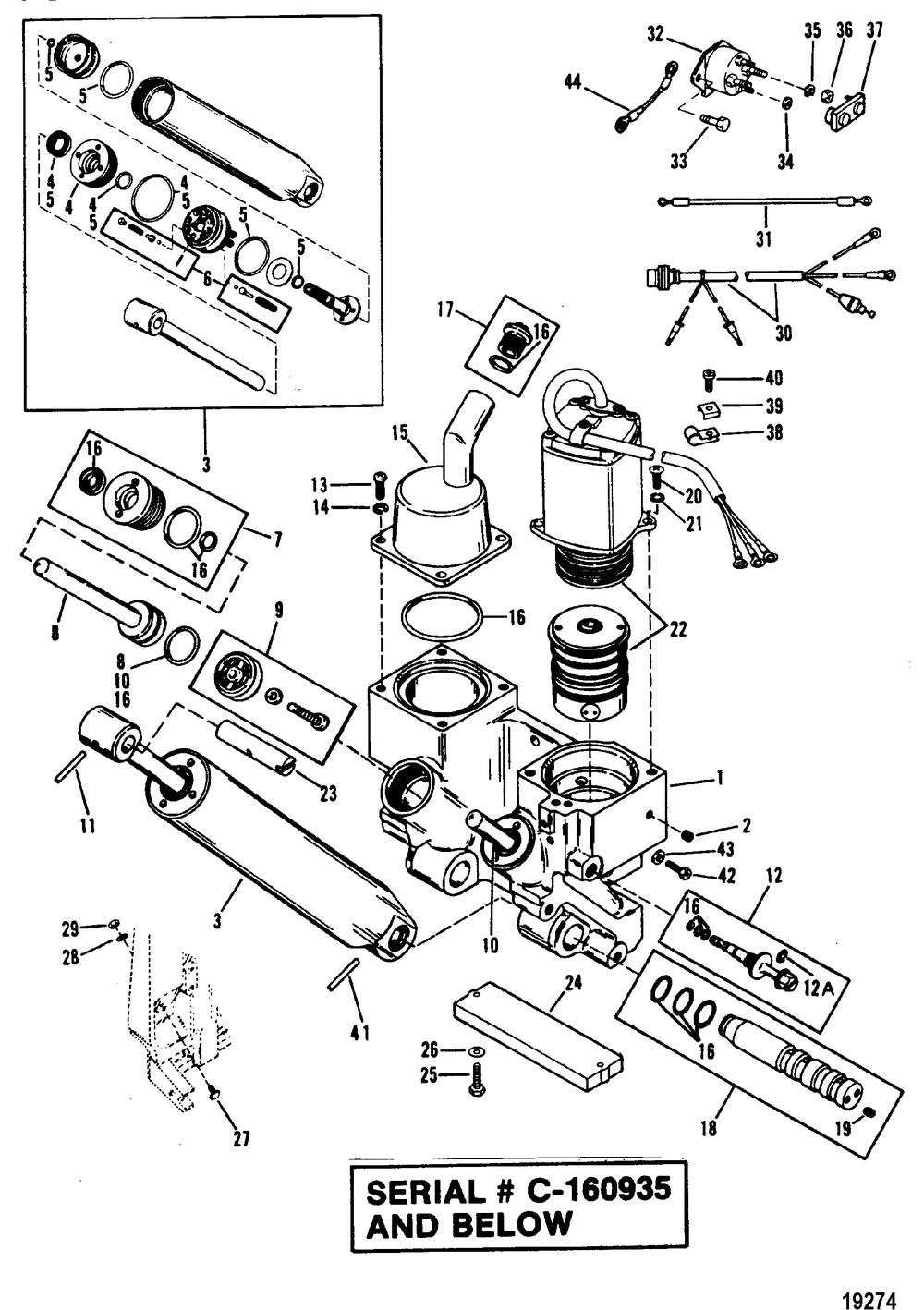
Power Trim Components(S / N-0C160935 & Below)

Корзина пуста