| № | Наименование | Примечание | Кол-во |
|---|---|---|---|
| - | ORD 812817R97 (175) | 1 | |
| - | ORD 823434R97 (XR6/Magnum III) | 1 | |
| - | ORD 812815R97 (135/150) | 1 | |
| - | ORD 813043R97 (200) | 1 | |
| - | GASKET SET | 1 | |
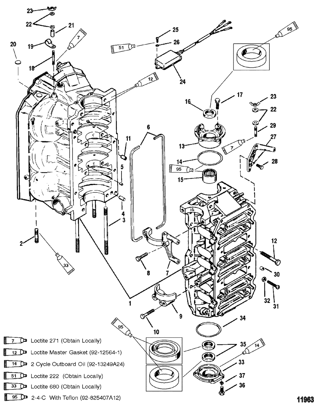
| 1 | CYLINDER BLOCK | 1 | |
| 1 | CYL BLOCK ASY SNtahos_ 0D284787 & Below | 1 | |
| 1 | CYL BLOCK ASSY SNtahos_ 0D284788 & Up | 1 | |
| 1 | CYL BLOCK ASSY | 1 | |
| 2 | STUD | 6 | |
| 3 | STUD @2 (2 per pack) | 2 | |
| 3 | STUD | 2 | |
| 4 | PIN-DOWEL-SOLID | 2 | |
| 5 | PIN-CENTER MAIN | 2 | |
| 6 | GASKET @2 (2 per pack) | 2 | |
| 7 | BRACKET-STARTER | 1 | |
| 8 | SCREW @5 (5 per pack) | 2 | |
| 9 | COVER | 1 | |
| 10 | SCREW | 2 | |
| 11 | BUSHING | 1 | |
| 12 | SCREW | 8 | |
| 12 | SCREW @5 (5 per pack) | 6 | |
| 13 | END CAP ASY-UPPER | 1 | |
| 14 | O RING @5 (5 per pack) | 1 | |
| 15 | BEARING KIT | 1 | |
| 16 | SEAL @2 (2 per pack) | 1 | |
| 17 | SCREW W/LW @5 (5 per pack) | 4 | |
| 18 | STUD | 1 | |
| 19 | J CLIP | 1 | |
| 21 | SPACER | 1 | |
| 22 | WASHER @5 (5 per pack) | 3 | |
| 23 | NUT-WING | 3 | |
| 24 | CONTROL-IDLESPEED | 1 | |
| 25 | SCREW | 3 | |
| 26 | WASHER @3 (3 per pack) | 3 | |
| 27 | BRACKET | 1 | |
| 28 | SCREW @5 (5 per pack) | 2 | |
| 29 | STUD | 2 | |
| 30 | CAP | 1 | |
| 31 | SCREW | 1 | |
| 32 | NUT @3 (3 per pack) | 1 | |
| 33 | END CAP ASSY | 1 | |
| 34 | O RING | 1 | |
| 36 | SCREW @5 (5 per pack) | 4 | |
| 37 | LOCKWASHER @5 (5 per pack) | 4 |
