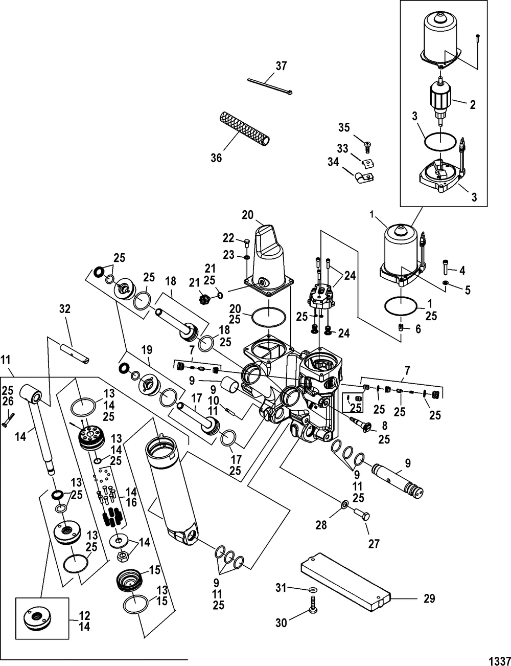
POWER TRIM COMPONENTS(CAST PUMP HOUSING)

Корзина пуста