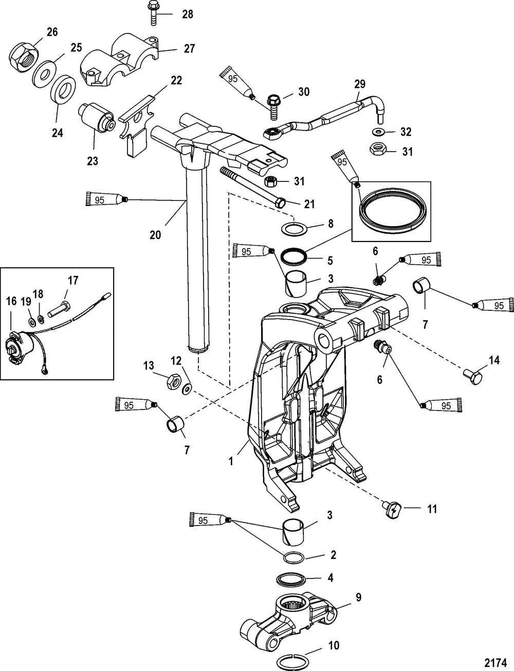
| № | Наименование | Примечание | Кол-во |
|---|---|---|---|
| 1 | BRACKET-SWIVEL-BL | 1 | |
| 2 | O RING @10 (10 per pack) | 1 | |
| 3 | BUSHING | 2 | |
| 4 | SPACER | 1 | |
| 5 | SEAL | 1 | |
| 6 | FITTING @2 (2 per pack) | 2 | |
| 7 | BUSHING | 2 | |
| 8 | WASHER | 1 | |
| 9 | YOKE-BOTTOM-BLACK (BLACK)(LONG - CARBON STEEL) | 1 | |
| 9 | YOKE-BOTTOM (BLACK-XL/XXL-STAINLESS STEEL) | 1 | |
| 10 | RING-RETAINING | 1 | |
| 11 | STRIKER PLATE | 2 | |
| 12 | LOCKWASHER | 2 | |
| 13 | NUT | 2 | |
| 14 | SCREW | 2 | |
| 16 | ORDER 8M0098273 Tracker | 1 | |
| 17 | SCREW | 2 | |
| 18 | LOCKWASHER @15 (15 per pack) | 2 | |
| 19 | WASHER @5 (5 per pack) | 2 | |
| 20 | PIN ASY-SWIVEL-BL | 1 | |
| 20 | ORD 17-826432A 2 (BLACK)(LONG - CARBON STEEL) | 1 | |
| 21 | BOLT | 2 | |
| 22 | BUMPER | 1 | |
| 23 | MOUNT | 2 | |
| 24 | WASHER | 2 | |
| 25 | WASHER | 2 | |
| 26 | NUT | 2 | |
| 27 | CLAMP | 1 | |
| 28 | SCREW | 3 | |
| 29 | LINK ROD KIT | 1 | |
| 30 | SCREW | 1 | |
| 31 | NUT-SS @3 (3 per pack) | 2 | |
| 32 | WASHER | 2 |
