| № | Наименование | Примечание | Кол-во |
|---|---|---|---|
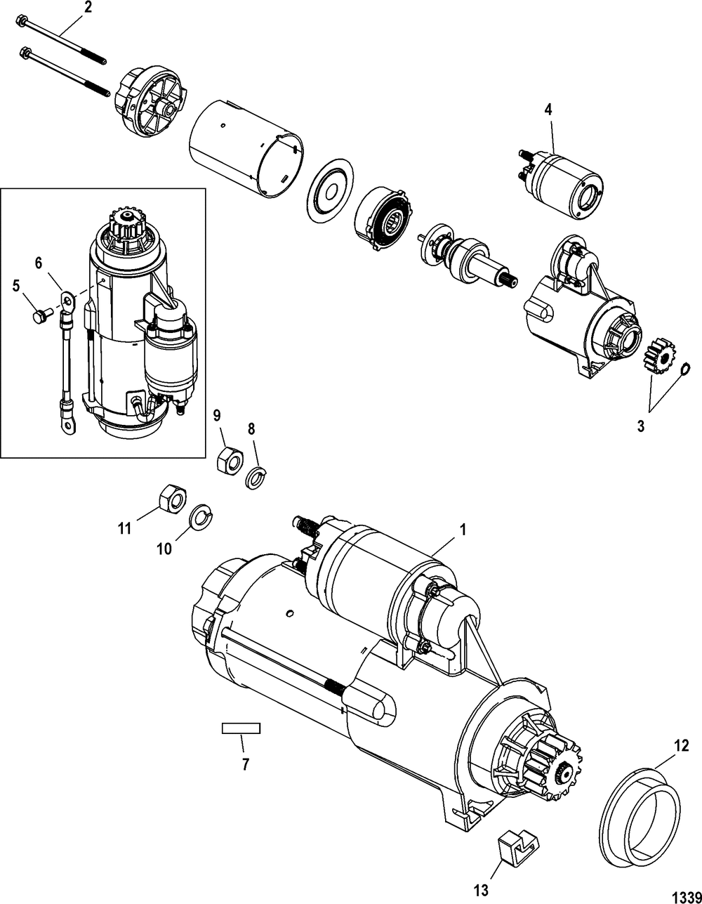
| 1 | STARTER MOTOR ASY | 1 | |
| 2 | THRU BOLT | 2 | |
| 3 | GEAR KIT | 1 | |
| 4 | SOLENOID KIT | 1 | |
| 5 | SCREW/LOCKWASHER | 1 | |
| 6 | CABLE ASSY | 1 | |
| 7 | DECAL-WARNING | 1 | |
| 8 | LOCKWASHER | 1 | |
| 9 | NUT | 1 | |
| 10 | LOCKWASHER @5 (5 per pack) | 2 | |
| 11 | NUT @2 (2 per pack) | 1 | |
| 12 | COLLAR | 2 | |
| 13 | STOP-START | 1 |
