Оригинальные каталоги
Масла и жидкости
Масла моторные
Масла трансмиссионные
Жидкости гидравлические
Жидкости охлаждающие
Жидкости тормозные
Масла гидравлические
Масла для вилок и амортизаторов
Масла компрессорные
Жидкости для стекол
Масла для цепей бензопил
Масла индустриальные
Масла промывочные
Раствор мочевины AdBlue
Автоэлектроника
Видеорегистраторы
Пылесосы автомобильные
FM трансмиттеры
Зарядные устройства
Разветвители, удлинители прикуривателя
Кабели
Вентиляторы автомобильные
Штекер прикуривателя
Датчик парктроника
Камеры заднего вида
Мониторы парковочные
Парктроники
Термометры
Накидки на сиденье с подогревом
Автохолодильники
Антирадары
Диагностический сканер
Аксессуары
Набор автомобилиста
Ароматизаторы
Тросы буксировочные
Канистры
Ремни крепления груза
Стяжки-резинки крепления
Сетки для крепления груза
Скотч
Влажные салфетки
Держатели телефонов, планшетов
Карты памяти
Наушники
Аккумулятор холода
Термосумки и контейнеры
Фонарики
Батарейки
Оплетки на руль
Огнетушители
Салфетки, полотенца, варежки
Инструмент
Домкраты
Компрессоры
Манометры
Насосы
Светильники переносные
Шарнирно-губцевый инструмент
Ударный инструмент
Метчики. Плашки
Заклёпочники
Заклёпки
Измерительный инструмент
Свёрла
Отвёртки
Изолента
Надфили. Напильники
Ножи, ножовки
Щётки
Абразивная бумага
Специнструмент
Ключи
Хомуты
Дрель-шуруповерт
Автохимия
Присадки
Промывки
Очистители
Смазки спрей
Смазки пластичные
Герметики
Средство для рук
Клей
Лакокрасочные материалы
Автошампуни
Полироли
Антифриз для тормозной системы
Масло для пропитки фильтров
Антикоррозионные составы
Прочее
Электрооборудование
Зарядные устройства
Инверторы
Конвертеры
Звуковые сигналы
Провода прикуривания
Предохранители
Противотуманные фары
Дневные ходовые огни
Электрика фаркопа
Шины и диски
Автошины
Грузовые шины
Мотошины
Камеры
Мотокамеры
Лента обода шины
Колпаки
Диски
Одежда и экипировка
Жилеты
Запчасти
Аккумуляторы
Лампы
Щетки стеклоочистителя
Гофры глушителя
Велотовары
Велосипеды
Самокаты
Велокамеры
Искать по VIN или номеру детали
Поиск по штрих-коду
Искать по VIN-номеру
Войти
Авторизация
Логин
Пароль
Напомнить пароль
Запомнить
Войти
Зарегистрироваться
Авторизоваться другим способом
Востановить пароль
Введите ваш email:
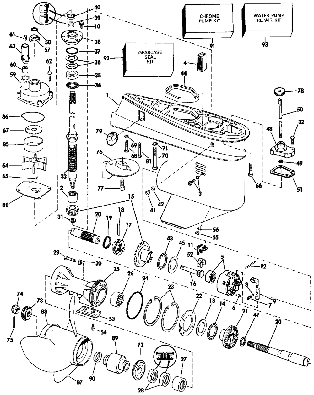
GEARCASE
Корзина пуста
Johnson
J70TLCCA
J70TLCCA
GEARCASE
№
Наименование
Примечание
Кол-во
1
GEARCASE & BRG AY
1
2
BEARING
1
3
RETAINING SCREW
1
4
SCREEN
1
5
BRG HGSPIN&SPRING
1
6
PIN
1
7
SPRING
1
8
BALL DETENT
1
9
DETENT
1
10
SCREW-RET PLATE
4
11
SHIFTER LEVER
1
12
PIN
1
13
WASHER
1
14
BEARING AYTHRUST
1
15
GEARSETFWD&PIN
1
16
SHAFT
1
17
SHIFTER
1
18
PIN
1
19
SPRING
1
20
SHAFT AYPROPELLER
1
21
REVERSE GEAR
1
22
PLATE RETAINER
1
23
RING
2
24
O-RING Contents of Gearcase Seal Kit (010 per pack)
1
25
P-SHFT BRG HSG AY
1
26
NEEDLE BRG
1
27
NEEDLE BRG AY
1
28
SEAL DRL 5-PK Contents of Gearcase Seal Kit (005 per pack)
2
29
SCREW BRG HSG Contents of Gearcase Seal Kit
4
31
NUT
1
32
SCREW (005 per pack)
4
33
D-SHAFT-LNG
1
34
THRUST BRG
1
35
THRUST WASHER
1
36
SHIM-PINION .003
0
36
SHIM-PINION .004
0
36
SHIM 005
0
37
O-RING (005 per pack)
1
38
D/S BRG HSG&SEAL
1
39
OIL RET 5 PK Early Production Double Seal (005 per pack)
1
40
OIL RETAINER
1
41
DRAIN FILL PLG 10P (010 per pack)
1
42
O-RING (010 per pack)
1
43
THRUST BRG AY
1
44
SEAL Contents of Gearcase Seal Kit
1
45
THRUST WASHER
1
47
THRUST WASHER
1
48
CVR&BUSH AY-ROD
1
49
O-RING (005 per pack)
1
50
SHIFT ROD-LONG
1
51
GASKET 5 PK Contents of Gearcase Seal Kit (005 per pack)
1
52
CRADLE-SHIFT
1
53
ANODE & INSERT AY
1
54
SCREW
2
55
DRAIN SCREW Contents of GEARCASE SEAL KIT
1
57
GROMMET Also included in Water Pump Repair Kit 433549
1
58
O-RING (65WRY Model Only.) (005 per pack)
1
59
WTR PUMP KIT Also included in Water Pump Repair Kit 432955
1
60
GROMMET 3.3 L models
1
61
SCREW
1
62
SCREW
4
63
GUIDE TUBE (Contents of Water Pump Repair Kit.)
1
64
IMP & KEY AY
1
65
KEYIMPELLER-WHT Also included in Water Pump Repair Kit 396726
1
66
Детать
4
67
PLATE-IMP HSG Stainless Steel Also included in Water Pump Repair Kit 433549
1
68
SCREW
1
69
LOCKWASHER
1
70
SCREW
1
71
LOCKWASHER 4PK (004 per pack)
1
72
BUSHINGTHRUST
1
73
SPACER (005 per pack)
1
74
PROP NUT
1
75
COTTER PIN (010 per pack)
1
76
TABTRIM-STD
1
77
SCREW
1
78
GROMMET
1
79
ANODE&INSERT AY
1
80
IMP HSG PLATE
1
81
SCREW ANODE
1
85
LINER-IMP HSG Stainless Steel Also included in Water Pump Repair Kit 433549
1
86
SEAL-IMP HSG Contents of Gearcase Seal Kit
1
87
SSP V4 13.75X13 Swept Blade
1
87
Детать
1
87
PROP AYAL 13.5X15 (Refer to Genuine Parts Propeller Chart.)
1
87
PROP AL14 X 9
1
87
PROPAL 14 X 11
1
87
PROPAL 13.75X13
1
87
PROPAL 13.25X17
1
87
PROP AYAL 13.2X19
1
87
PROP AYAL 13.2X21
1
87
VIPERV4 13.875X17
1
87
VIPERV4 13.875X19
1
87
Детать
1
87
Детать
1
87
VIPER V413.875X15
1
87
SST V-4 23"
1
88
CONVERGING RINGV4
1
89
Детать
1
90
SLEEVE
1
91
CHROME PUMP KIT Optional Accessory
1
92
KIT AYSEAL-GRC
1
0332584
WASHER 5PK (005 per pack)
1
0396730
Not Shown
1