Оригинальные каталоги
Масла и жидкости
Масла моторные
Масла трансмиссионные
Жидкости гидравлические
Жидкости охлаждающие
Жидкости тормозные
Масла гидравлические
Масла для вилок и амортизаторов
Масла компрессорные
Жидкости для стекол
Масла для цепей бензопил
Масла индустриальные
Масла промывочные
Раствор мочевины AdBlue
Автоэлектроника
Видеорегистраторы
Пылесосы автомобильные
FM трансмиттеры
Зарядные устройства
Разветвители, удлинители прикуривателя
Кабели
Вентиляторы автомобильные
Штекер прикуривателя
Датчик парктроника
Камеры заднего вида
Мониторы парковочные
Парктроники
Термометры
Накидки на сиденье с подогревом
Автохолодильники
Антирадары
Диагностический сканер
Аксессуары
Набор автомобилиста
Ароматизаторы
Тросы буксировочные
Канистры
Ремни крепления груза
Стяжки-резинки крепления
Сетки для крепления груза
Скотч
Влажные салфетки
Держатели телефонов, планшетов
Карты памяти
Наушники
Аккумулятор холода
Термосумки и контейнеры
Фонарики
Батарейки
Оплетки на руль
Огнетушители
Салфетки, полотенца, варежки
Инструмент
Домкраты
Компрессоры
Манометры
Насосы
Светильники переносные
Шарнирно-губцевый инструмент
Ударный инструмент
Метчики. Плашки
Заклёпочники
Заклёпки
Измерительный инструмент
Свёрла
Отвёртки
Изолента
Надфили. Напильники
Ножи, ножовки
Щётки
Абразивная бумага
Специнструмент
Ключи
Хомуты
Дрель-шуруповерт
Автохимия
Присадки
Промывки
Очистители
Смазки спрей
Смазки пластичные
Герметики
Средство для рук
Клей
Лакокрасочные материалы
Автошампуни
Полироли
Антифриз для тормозной системы
Масло для пропитки фильтров
Антикоррозионные составы
Прочее
Электрооборудование
Зарядные устройства
Инверторы
Конвертеры
Звуковые сигналы
Провода прикуривания
Предохранители
Противотуманные фары
Дневные ходовые огни
Электрика фаркопа
Шины и диски
Автошины
Грузовые шины
Мотошины
Камеры
Мотокамеры
Лента обода шины
Колпаки
Диски
Одежда и экипировка
Жилеты
Запчасти
Аккумуляторы
Лампы
Щетки стеклоочистителя
Гофры глушителя
Велотовары
Велосипеды
Самокаты
Велокамеры
Искать по VIN или номеру детали
Поиск по штрих-коду
Искать по VIN-номеру
Войти
Авторизация
Логин
Пароль
Напомнить пароль
Запомнить
Войти
Зарегистрироваться
Авторизоваться другим способом
Востановить пароль
Введите ваш email:
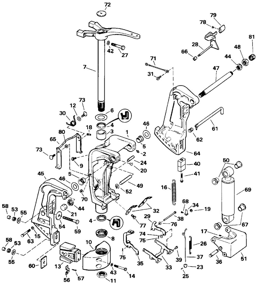
STERN BRACKET - MANUAL TILT MODELS
Корзина пуста
Johnson
J90TXATS
J90TXATS
STERN BRACKET - MANUAL TILT MODELS
№
Наименование
Примечание
Кол-во
1
20 in. (508mm) Transom Models Only
1
2
FITTING LUBE
0
3
BUSHING SWIV BK
1
4
SEAL SWIV BRKT
2
5
BUSHING SWIV BK
2
6
THRUST WASHER
1
7
STEER ARM & SHAFT 20 in. (508mm) Transom Models Only
1
8
KEEPER70HP-V6
1
9
SCREW
1
10
BRACKETMOUNT-20" 100WPL Models Only .
1
11
LOCK NUT
1
12
WASHER
1
13
Детать
2
14
SCREW
4
15
LOCKWASHER (WRL Models Only. 20 in. (508mm) Models Only.)
0
16
SPRING
2
17
SCREW-BRKT-GR HSG
1
18
RETAINER
1
19
SPACER
1
20
PLUG
4
21
CAPSTEER-TUBE
1
23
COLLAR
1
24
ROLL PIN
1
25
SCREW
1
26
Детать
1
27
Детать
2
28
LEVER & SHAFT AY
1
29
LINK
1
30
SPRING
1
32
RETAINER
2
33
LOCKING LEVER
1
34
BELLCRANK
1
35
LINK
1
36
PIN
1
37
ROD-REV LOCK REL
1
38
PIN
1
39
PIN
2
40
ANODE & SCREW AY
2
41
SCREW
1
42
WASHER
2
43
LOCKWASHER 4PK (004 per pack)
4
44
LOCKNUT
2
45
STERN BRACKET AY
1
46
THRUST WASHER
2
47
TILT TUBE SST
1
48
NUT-STEERING WIPER Recommended to Prevent Corrosion in Salt Water Usage
1
49
PIN TILT CYL UP
1
50
BUSHING-UPR TILT
2
51
SPACER
1
52
SPRING CLIP 2PK (002 per pack)
2
53
NUT (004 per pack)
4
54
WASHER 5 PK (005 per pack)
2
55
WASHER 5 PK (005 per pack)
4
56
RETAINER Optional
2
57
SCREW RET TO PLATE Optional
4
58
CAP-TRAN SCR (004 per pack)
4
59
5" TRNSM BOLT Optional
0
59
4 3/4" TRNSM BOLT
2
59
3 1/2" TRNSM BOLT Optional
0
59
3 1/2" TRNSM BOLT Optional
0
59
6" TRNSM BOLT
0
60
SQ PLATE 4PK (004 per pack)
2
61
ROD AYTHRUST
1
62
SPRING THRS ROD
1
63
SCREW
2
63
SCREW
2
64
Детать
1
65
Детать
1
66
SPACER
1
67
BUSHING TILT CY
2
68
SCREW-BELLCRK
1
69
SHOCK ABSORBER Manual Tilt Models Only
1
70
NUT
2
71
LEAD AYBONDING
1
72
Детать
1
73
SHOULDER SCREW
2
74
WASHER
2
75
CLIP 10PK (010 per pack)
3
76
WASHER
1
77
SCREW BRKT TO ARM
2
78
SCREW
1
79
KNOB-TILT LOCK
1
80
WASHER
2
81
NUTWIPER
1