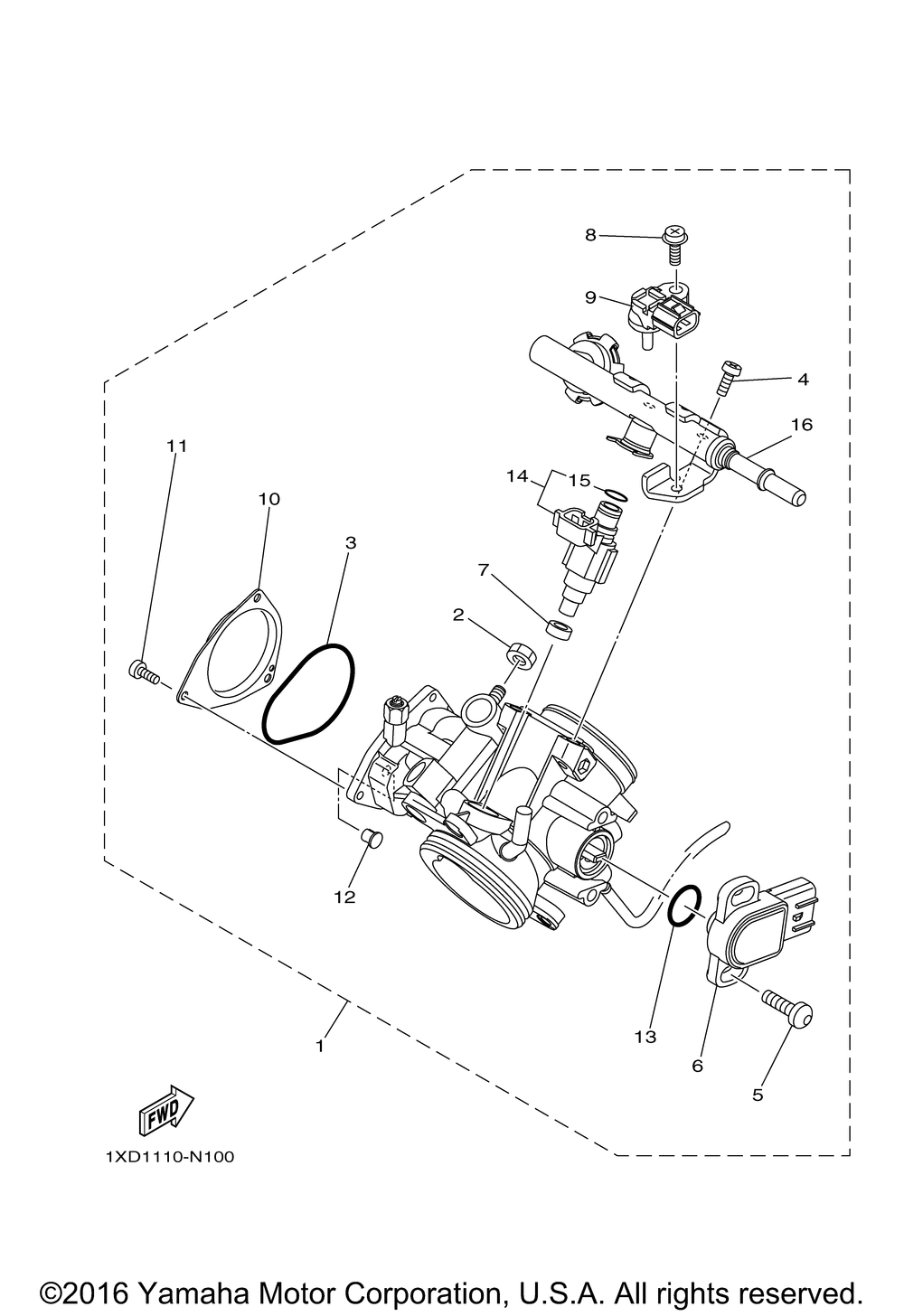
| № | Наименование | Примечание | Кол-во |
|---|---|---|---|
| 1 | THROTTLE BODY ASSY | 1 | |
| 2 | NUT CABLE ADJUSTING | 1 | |
| 3 | O-RING | 1 | |
| 4 | SCREWPAN | 2 | |
| 5 | SCREW | 2 | |
| 6 | THROTTLE SENSOR ASSY | 1 | |
| 7 | GASKET MANIFOLD | 1 | |
| 8 | SCREW | 1 | |
| 9 | SENSOR PRESSURE | 1 | |
| 10 | COVER 1 | 1 | |
| 12 | GUIDECABLE END | 1 | |
| 13 | O-RING | 1 | |
| 14 | INJECTOR | 1 | |
| 15 | O-RING | 1 | |
| 16 | DELIVERY PIPE ASSY 1 | 1 |
