| № | Наименование | Примечание | Кол-во |
|---|---|---|---|
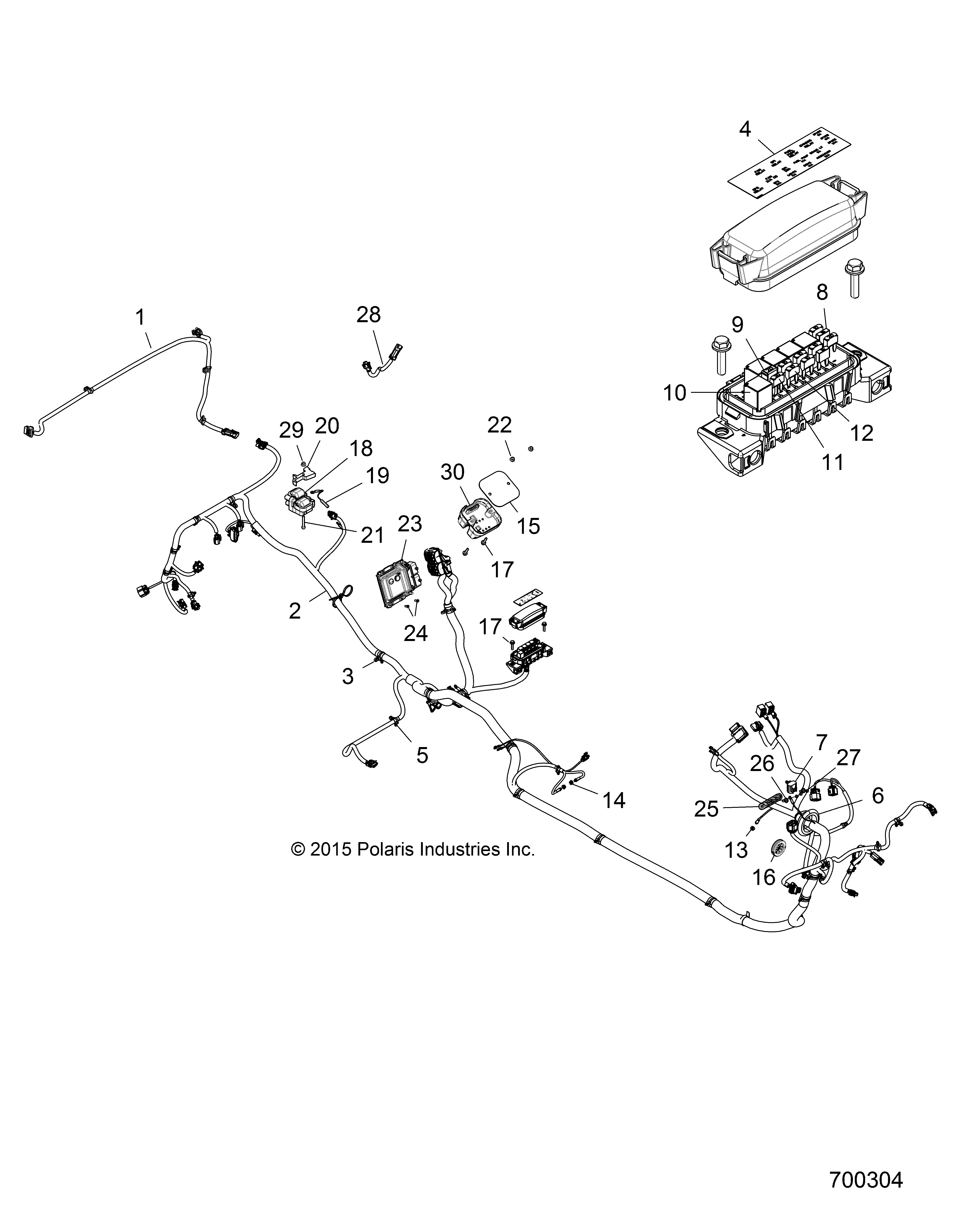
| 1 | HARNESS BOX | 1 | |
| 2 | HARNESS CHASSIS | 1 | |
| 3 | STRAP-PANDUITDBL LOOP260MM | 7 | |
| 4 | LABEL-FUSE BOX | 1 | |
| 5 | CLIP-ROUTING(10) (10 per pack) | 20 | |
| 6 | GROMMET-65MMBLK | 1 | |
| 7 | COVER-DIAGNOSTICW/CLIP | 1 | |
| 8 | FUSE-15AMPMINI BLADE | 2 | |
| 9 | BREAKER-CIRCUIT20 AMP | 1 | |
| 10 | RELAY-SPSTSERIES 303SEALED | 5 | |
| 11 | FUSE-20 MINI BLADE 58V(YELLOW) | 2 | |
| 12 | FUSEIGN.10 AMP(10) (10 per pack) | 6 | |
| 13 | LED-PANEL MNT12VBLUE [LE ONLY] | 3 | |
| 14 | CLIP-ROUTINGDIN BOX | 3 | |
| 15 | PLATE HEAT SINK REGULATOR | 1 | |
| 16 | GROMMET-ELECTRICALCAB | 1 | |
| 17 | BOLT-M6X1.0X20HXHDFLGBLK | 4 | |
| 18 | KIT-IGNITION COILTWIN EFI | 1 | |
| 19 | JUMPER COIL GROUND | 1 | |
| 20 | SPACER-COIL MOUNT | 1 | |
| 21 | SCREW | 1 | |
| 22 | NUT-M6X1.0FLG-NYLOC-OLIVE D | 2 | |
| 23 | ECM-NO STARTME17 [SVC] | 1 | |
| 24 | SCR-tahos_10X1/2-HI/LO-PN-T25TRX-M | 4 | |
| 25 | BLOCK-TERMINAL3 POSTTALL | 1 | |
| 26 | SCR-10-24X3/4 PH/TX/TRI-SEMS Y | 2 | |
| 27 | NUTS-10-32 KEPS | 3 | |
| 28 | WIRE-THERMISTER LEAD | 1 | |
| 29 | NUT-M6 FLANGENYLOK | 1 | |
| 30 | SCR-HXFL-M6X1.0X30RIEDGPNT | 2 | |
| 30 | REGULATOR-3PH50ASERIESHISPD [A17SEF57A4] | 1 | |
| 30 | K-REGULATOR ADAPTER | 1 | |
| 30 | HARNESS-REGULATOR ADAPTE | 1 |
