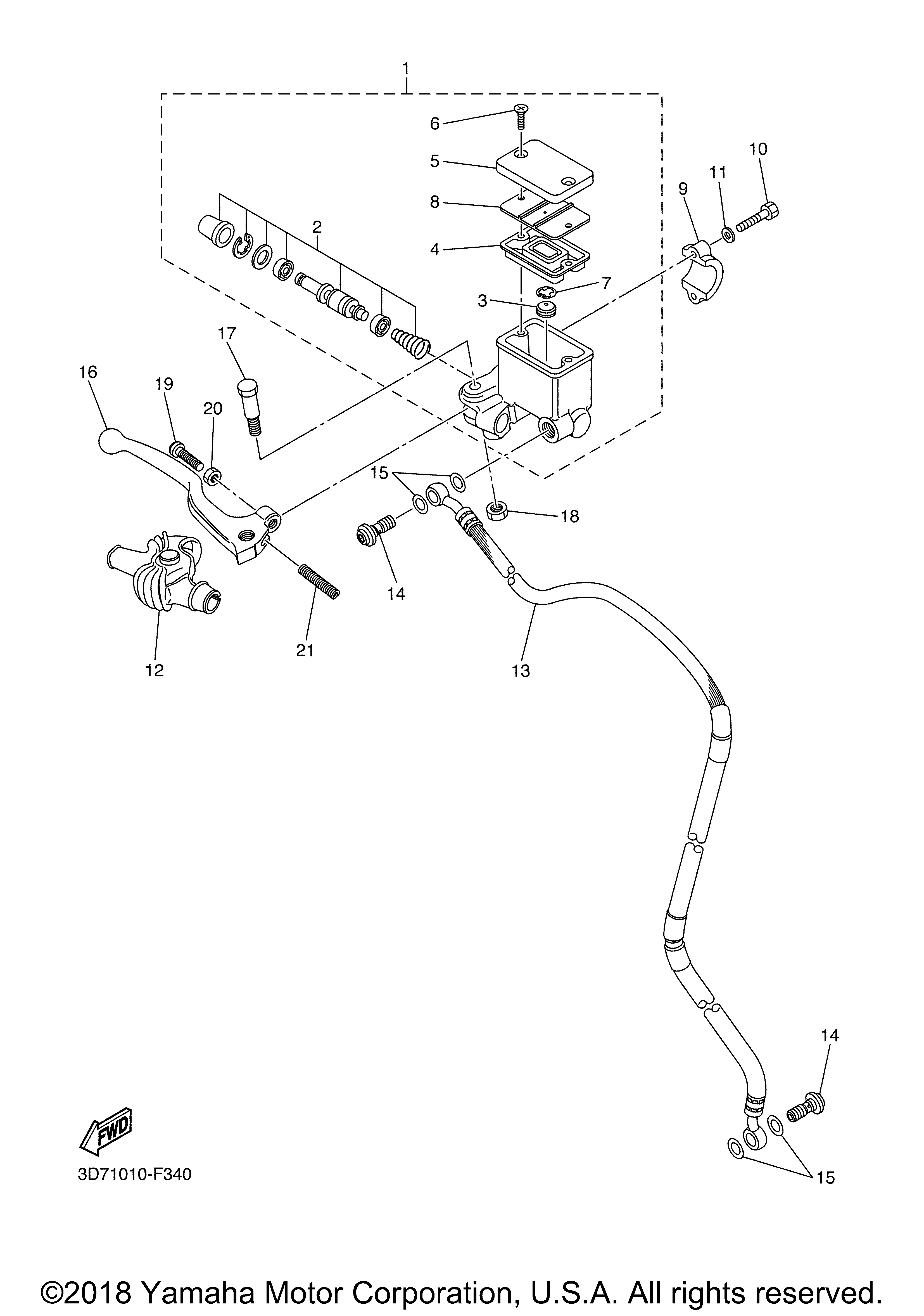
| № | Наименование | Примечание | Кол-во |
|---|---|---|---|
| 1 | MASTER CYLINDER SUB | 1 | |
| 2 | CYLINDER KIT MASTER | 1 | |
| 3 | SEPARATOR ASSY | 1 | |
| 4 | DIAPHRAGMRESERVOR | 1 | |
| 5 | CAP RESERVOIR | 1 | |
| 6 | SCREWFLAT (5 per pack) | 2 | |
| 7 | CIRCLIP | 1 | |
| 8 | PLATE DIAPHRAGM | 1 | |
| 9 | BRACKETMASTER CYLIN | 1 | |
| 10 | BOLTHEXAGON | 2 | |
| 11 | WASHER PLATE (6TA) | 2 | |
| 12 | COVERHANDLE LEVER | 1 | |
| 13 | HOSE BRAKE 1 | 1 | |
| 14 | BOLT UNION | 2 | |
| 15 | GASKET | 4 | |
| 16 | LEVER 2 | 1 | |
| 17 | BOLT | 1 | |
| 18 | NUTU | 1 | |
| 19 | SCREWSPEC'L SHAPE | 1 | |
| 20 | NUT | 1 | |
| 21 | SPRINGCOMPRESSION | 1 |
