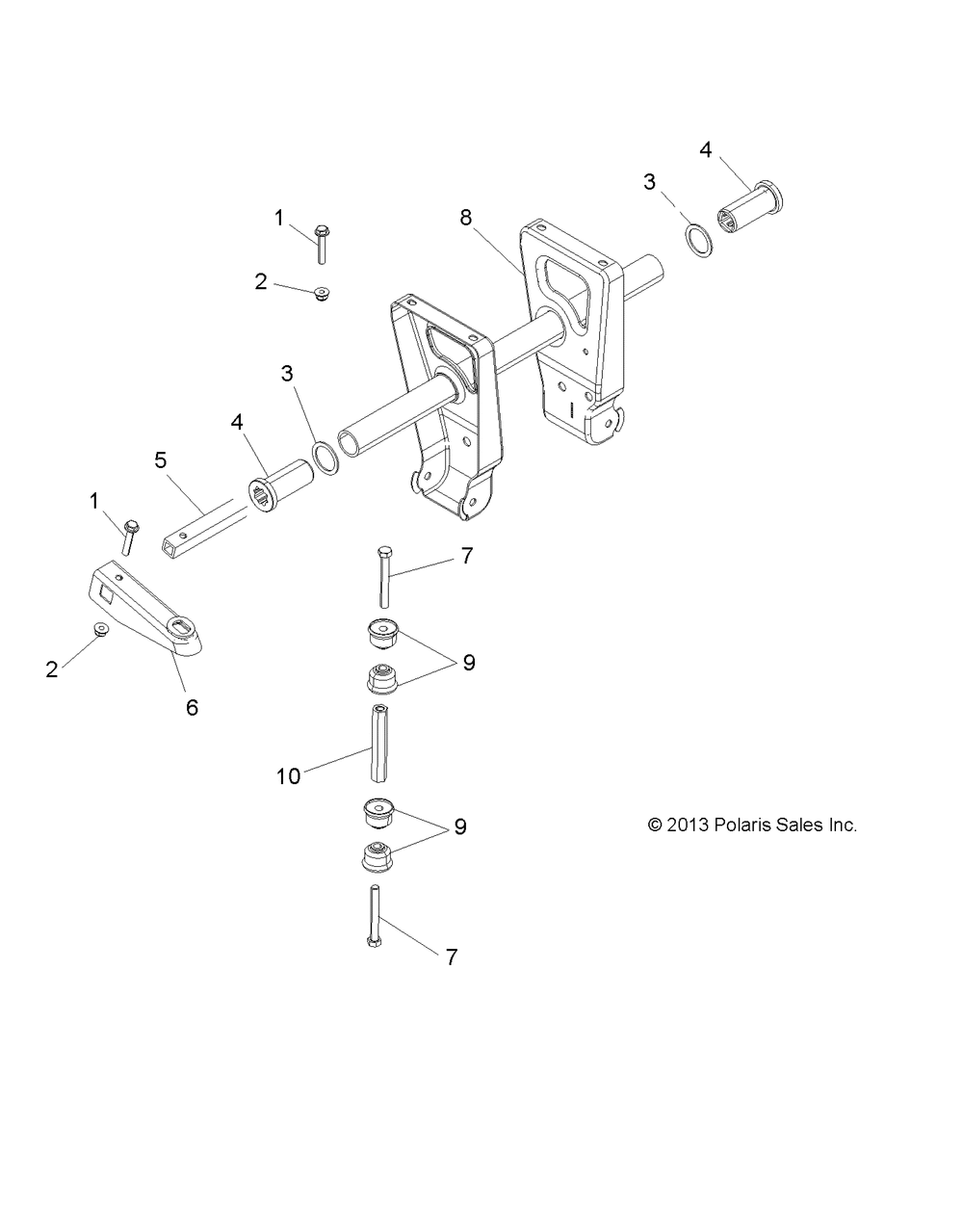
SUSPENSION TORSION BAR (BUILT 10 / 04 / 13 AND AFTER) - A14MB46TH (49ATVTORSION14SP570)

Корзина пуста