Оригинальные каталоги
Масла и жидкости
Масла моторные
Масла трансмиссионные
Жидкости гидравлические
Жидкости охлаждающие
Жидкости тормозные
Масла гидравлические
Масла для вилок и амортизаторов
Масла компрессорные
Жидкости для стекол
Масла для цепей бензопил
Масла индустриальные
Масла промывочные
Раствор мочевины AdBlue
Автоэлектроника
Видеорегистраторы
Пылесосы автомобильные
FM трансмиттеры
Зарядные устройства
Разветвители, удлинители прикуривателя
Кабели
Вентиляторы автомобильные
Штекер прикуривателя
Датчик парктроника
Камеры заднего вида
Мониторы парковочные
Парктроники
Термометры
Накидки на сиденье с подогревом
Автохолодильники
Антирадары
Диагностический сканер
Аксессуары
Набор автомобилиста
Ароматизаторы
Тросы буксировочные
Канистры
Ремни крепления груза
Стяжки-резинки крепления
Сетки для крепления груза
Скотч
Влажные салфетки
Держатели телефонов, планшетов
Карты памяти
Наушники
Аккумулятор холода
Термосумки и контейнеры
Фонарики
Батарейки
Оплетки на руль
Огнетушители
Салфетки, полотенца, варежки
Инструмент
Домкраты
Компрессоры
Манометры
Насосы
Светильники переносные
Шарнирно-губцевый инструмент
Ударный инструмент
Метчики. Плашки
Заклёпочники
Заклёпки
Измерительный инструмент
Свёрла
Отвёртки
Изолента
Надфили. Напильники
Ножи, ножовки
Щётки
Абразивная бумага
Специнструмент
Ключи
Хомуты
Дрель-шуруповерт
Автохимия
Присадки
Промывки
Очистители
Смазки спрей
Смазки пластичные
Герметики
Средство для рук
Клей
Лакокрасочные материалы
Автошампуни
Полироли
Антифриз для тормозной системы
Масло для пропитки фильтров
Антикоррозионные составы
Прочее
Электрооборудование
Зарядные устройства
Инверторы
Конвертеры
Звуковые сигналы
Провода прикуривания
Предохранители
Противотуманные фары
Дневные ходовые огни
Электрика фаркопа
Шины и диски
Автошины
Грузовые шины
Мотошины
Камеры
Мотокамеры
Лента обода шины
Колпаки
Диски
Одежда и экипировка
Жилеты
Запчасти
Аккумуляторы
Лампы
Щетки стеклоочистителя
Гофры глушителя
Велотовары
Велосипеды
Самокаты
Велокамеры
Искать по VIN или номеру детали
Поиск по штрих-коду
Искать по VIN-номеру
Войти
Авторизация
Логин
Пароль
Напомнить пароль
Запомнить
Войти
Зарегистрироваться
Авторизоваться другим способом
Востановить пароль
Введите ваш email:
09- Body And Accessories 2 500 EFI
Корзина пуста
Can-Am
Outlander Max 500 EFI Ltd
Outlander Max 500 EFI Ltd
09- Body And Accessories 2 500 EFI
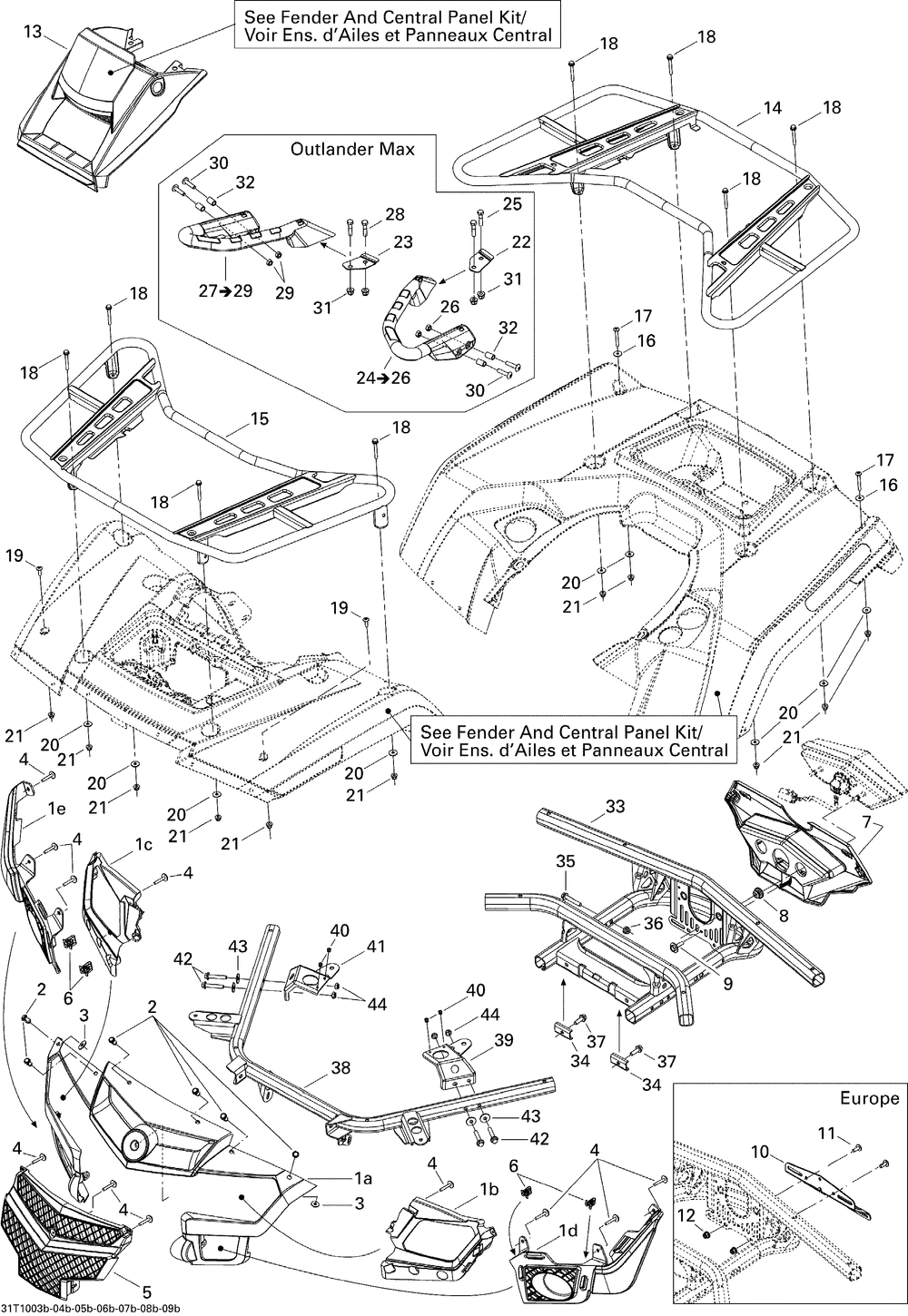
№
Наименование
Примечание
Кол-во
1a
FACIA AVANT *FRONT FACIA Radiant Red Model
1
1a
FRONT FASCIA GREY Steel Grey Model
1
1b
LH HEAD LAMP SUPPORT
1
1c
RH HEAD LAMP SUPPORT
1
1d
LH LOWER FRONT FACIA International
1
1e
RH LOWER FRONT FACIA International
1
2
Tuflok Plastic Rivet
6
3
RONDELLE *WASHER (25.000 per pack)
4
4
Plastite Screw Type K-40 M4 X 25
11
5
UPPER GRILL
1
6
Edge Clip
4
7
REAR FACIA Model-XT
1
8
RUBBER GROMMET
2
9
SCREW PLASTITE TYPE K-40 M4 X 16 (2.000 per pack)
1
13
DASHBOARD
1
14
REAR LUGGAGE RACK
1
15
FRONT LUGGAGE RACK
1
16
FLAT WASHER (3.000 per pack)
2
17
TORX TRUSS SCREW M6 X 50 (4.000 per pack)
2
18
Hex. Screw M6 X 55
8
19
TORX SCREW M6 X 25
2
20
FLAT WASHER
10
21
Hex. Flanged Elastic Nut M6
12
22
LH FIXATION PLATE
1
23
RH FIXATION PLATE
1
24
LH HANDLE
1
25
HEX. SCREW M8 X 35 (10.000 per pack)
2
26
HEX. NUT (4.000 per pack)
2
27
RH HANDLE
1
30
TORX SCREW M8 X 35 (4.000 per pack)
4
31
Hex. Flanged Elastic Nut M8
4
32
BUSHING
4
33
REAR SUPPORT
1
34
U REINFORCEMENT
2
35
HEX. FLANGED SCREW M8 X 50 Not Shown (10.000 per pack)
1
37
Hex. Flanged Screw M8 X 20, Scotch Grip
2
38
FRONT SUPPORT
1
39
LH ANCHOR PLATE
1
40
Pop Rivet 3/16"
4
41
RH ANCHOR PLATE
1
42
HEX. FLANGED SCREW M8 X 45 (10.000 per pack)
4
43
Flat Washer 8 mm
4
44
Hex. Elastic Stop Nut M8
4