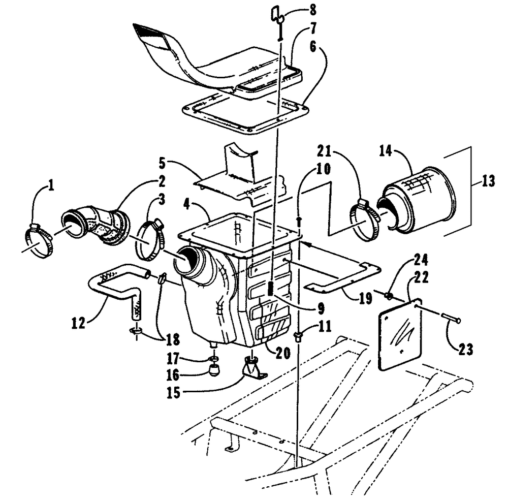
| № | Наименование | Примечание | Кол-во |
|---|---|---|---|
| 1 | CLAMPHOS-WORM 50mmX9mm (40-60 NOMA) | 1 | |
| 2 | BOOTAIR CLEANER | 1 | |
| 3 | CLAMPHOSE-WORM (NORMA 60-80) | 2 | |
| 4 | CLEANERAIR-ASSY-LWR | 1 | |
| 5 | BAFFLESPLASH-AIR CLNR | 1 | |
| 6 | GASKETAIR CLNR/SNORKEL | 1 | |
| 7 | SNORKLEAIR CLEANER | 1 | |
| 8 | CLAMPAIR CLEANER | 4 | |
| 9 | SPRINGAIR CLEANER | 4 | |
| 10 | SCREWMACH-PHTRH 10-32 X 1.00 Z&Y (20 per pack) | 4 | |
| 11 | NUTEXPANSION 10-32 (20 per pack) | 4 | |
| 12 | HOSE CRANK CASE VENT | 1 | |
| 13 | FILTERAIR CLEANER | 4 | |
| 14 | SLEEVEFILTER(REF.0470-322) | 2 | |
| 15 | VALVE AIR CLEANER | 1 | |
| 16 | CAPFITTING-RUBBER | 1 | |
| 17 | CLAMPSPRING(5079) | 1 | |
| 18 | CLAMPHOSE-SPRING(.685"ID X.38") | 2 | |
| 19 | SUPPORTAIR CLEANER FLANGE (2x4) | 2 | |
| 20 | FOIL 6 X12 (0619-727) | 0 | |
| 21 | CLAMPSCREW-SHIELDED (NORMA SPGU78/9) | 1 | |
| 22 | PLATEHEAT-AIR INTAKE VIN. 08001 and Up | 1 | |
| 25 | PLATEHEAT-RR PNL | 1 |
